国产厂商,抢滩AI服务器电源芯片
没有电源,就没有AI。随着AI大模型火热进行,人们越来越发现,AI产业面临的最大阻碍,并非AI芯片、稀土或人才,而是电力。
为了更好的效率,AI服务器电源是关键。这一市场也是近期半导体及电源产业增速最快的细分赛道之一。据TrendForce预估,2025年全球AI服务器出货量约246万台,同比增长24.3%。行业数据显示,2025~2027年AI服务器电源市场将指数级增长,规模从74亿美元升至325亿美元,年复合增长率达110%。
长期以来,服务器电源领域使用的都是TI、ADI、Infineon、ST、ONsemi、MPS、Vicor等厂商的芯片产品,这些厂商的产品不仅在功率密度上具有优势,也都融入着自己的理解和创新。国内厂商也看到了这一市场的机会,有调查显示,目前国内服务器电源,国产替代率大约10~20%左右,海外仅有很少几家厂商进入供应链。
最近,国内厂商不断突破并推出自己的解决方案。
AI服务器供电架构在变革
AI服务器电源体系可分为三层:供电体系(UPS、HVDC、PDU)、AC-DC 转换(PSU、PMC、BBU)和 DC-DC 转换(PDB、VRM)。
AI服务器电源技术正迎来深刻变革。当前,AI模型的规模与复杂度正以摩尔定律失效的速度急剧膨胀,直接推动了 AI 芯片的功耗的攀升。当前,单芯片热设计功耗(TDP)已超过1000W,最新GB300达到了2700W,单个机柜的总功耗突破了100kW。因此,驱动了行业在三个层面上的变革:
第一,电压平台的升级。为满足AI集群对能效的极致要求,高压直流(HVDC)方案加速普及。相比传统UPS 90%~95%的系统效率,HVDC效率显著提升至95%~98%,在节能、节省空间与降低运维成本方面优势明显。以“巴拿马电源”为代表的新一代方案,融合整流与DC转换功能,输出电压已迈向750V~1000V范围,系统效率超97%,成为绿色数据中心的重要选择。
第二,供电架构的集中化。在OCP ORv3等标准推动下,PSU从服务器节点解耦,向机柜后部集中部署,形成柜级大功率供电系统。PSU功率已从第一代的5.5kW发展至第三代的22kW以上,输出电压由48V提升至400V,显著降低了传输损耗与线缆体积。集中供电使散热与布线更为高效,更好地适应AI服务器对功率密度与可维护性的严苛需求。
第三,半导体材料的革新。SiC(碳化硅)与GaN(氮化镓)等宽禁带半导体器件,凭借其高压、高频、高温下的优异特性,正成为AI电源设计的核心。相较于传统硅基器件,SiC/GaN具备更高开关频率、更低导通损耗,为电源实现高功率密度、高效率与小体积提供了关键支持,尤其适用于HVDC、PFC及DC/DC等多级功率转换架构。
国内厂商围绕趋势的布局
杰华特在AI服务器电源芯片领域一直都在发力,其能够为为计算领域提供全面的模拟芯片解决方案,产品涵盖高电流多相电源、DC/DC、eFuse、热插拔芯片、LDO、电源模块、限流开关、时钟缓冲器等关键品类。公司提供完整的通讯和服务器电源解决方案,其中部分产品具备国内首创性,部分产品已达到国际先进水平。公司基于自有的工艺和DC/DC控制技术,持续迭代高压和大电流产品,报告期内在行业头部客户侧量产的90ADrMOS大电流产品,效率高、可靠稳定,整体性能处于行业领先水平。
其中,以“智能功率级(DrMOS)+多相控制器“为杰华特最大亮点。当前,AI服务器计算能力快速提升,其功率密度也随之增长,所以服务器对散热和能耗产生更高要求。杰华特的方案相较于分立方案,能够降低高能耗问题,因此DrMOS在AI服务器领域的需求将不断扩大。目前,30A、50A、70A、90A的DrMOS都已在客户端实现量产爬坡。
在智能功率级方面,其去年新推出的90A大电流输出的JWH7079智能功率级,内置MOSFET和驱动,支持3~16V宽输入、90A大电流输出,工作频率高达3MHz。集成5μA/A电流检测、8mV/℃温度监测及多重保护功能,采用4×6mm TLGA封装,适用于服务器、GPU等高性能计算供电场景。
在多相控制器方面,JWH6376是一款双路12相控制器,专为Intel VR14平台核心供电设计,同时兼容VR13.HC/VR13标准。该产品集成PMBus/I²C和AVSBus接口,支持 电压、电流、功率及温度监测,并内置非易失存储(介质NVM) 保存配置和记录故障。具备可编程环路补偿、相间电流均衡、热均衡调节功能。集成多种保护功能包括Vin/Vout过压/欠压、过流、过热保护;以及TLVR电感开短路检测和PWM信号float检测,为系统可靠性保驾护航。采用业界主流 6mm×6mm QFN-48封装。
矽力杰在AI服务器领域也在长期布局,可以提供大电流DC/DC变换器、低压差线性稳压器、接口的热插拔控制器以及电流检测等整体方案。
最近,矽力杰还推出了AI服务器48V散热风扇解决方案SQ55560。矽力杰SQ55560是一款最高支持80V电压的三相无刷风扇驱动芯片,专为BLDC应用设计。其内置MTP内存,支持免MCU系统配置,集成单电流采样、无传感器控制算法和四线制功能,集成12V Buck,尽可能简化外围BOM,有力推动散热系统的小型化进程。
矽力杰SQ55560具备过欠压、过流、短路、开路、堵转、过温等多重保护功能,支持顺逆风启动,显著提升设备运行可靠性。同时,支持多种转速控制方式,灵活适配多样化应用场景。内置的Buck DC-DC转换器具备抖频功能,有效优化芯片的EMC表现。
12月5日,芯朋微发布12款面向AI服务器和工业控制领域的电源芯片。一是面向800VHVDC系统的1700V SiC辅源、隔离驱动、SiC/GaN驱动芯片;二是数字电源芯片,涵盖兆赫兹开环DCX控制器、全集成数字硬开关全桥控制器、8/12/16多相VRM等;三是面向计算能源的功率级芯片,包括Cu-Clip DrMOS、EFuse、PoL等系列化产品。
芯朋微CEO易扬波表示,算力规模和功耗密度的持续攀升,对电源系统的效率、散热与可靠性提出更高要求。芯朋微已在智能功率技术领域持续深耕近二十年,围绕“从AC到DC、从800V HVDC到Vcore 1V”的全链路供电需求,形成覆盖一次侧、二次侧到末端负载的算能电源芯片及系统方案布局。
目前,芯朋微的产品都围绕着当下数据中心的重点,比如热插拔eFuse的PN7882/5、POL电源单项转换器PN6850、多相VRM电源多相数字控制器PN6855/6、辅助电源的PWM控制器/MOS集成转换器、低边驱动芯片、半桥驱动芯片、隔离驱动等。
此外,根据芯朋微的半年报,公司跟进推出适用于服务器和通信设备的48V输入数模混合高集成电源芯片系列和内置算法的数模混合电机驱动芯片、超大电流EFUSE芯片、超大功率理想二极管芯片等大功率工控芯片,适用于服务器和通信设备的12/20相相数字控制器及70ADrMOS套片、48V输入数模混合高集成电源芯片系列、超大电流EFUSE芯片等进入试产和量产。一次电源侧的高耐压高可靠AC-DC、数字/模拟PFC等已取得大面积客户突破和量产;二次电源侧的48V输入数模混合高集成电源芯片系列已在服务器和通信设备批量爬坡出货;三次电源侧的EFUSE、大电流POL、多相控制器及配套DRMOS已经过服务器主板厂商和工业电源客户的验证和逐步试产。
晶丰明源也在重点布局高性能计算电源芯片,并且成为首家进入NVIDIA 推荐供应商名单的国内电源芯片企业,进入Intel供应商体系,POL获得AMD AVL。此外,前阵子晶丰明源正式推出第二代Smart DrMOS及配套Vcore电源解决方案,带动其收入暴增。
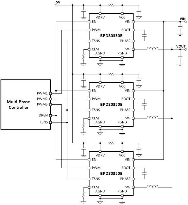
其智能功率级热门产品是BPD80350E,该芯片集成了高速驱动单元和低阻抗半桥电源开关,电流容量为50A,输入电压4.5V~16V,工作频率最高1.5MHz。它提供全面的热监测和保护电路,采用电气和热优化的封装。配合合适的高频控制单元,该功率级形成紧凑型、高电流电压调节系统,具备显著的效率和瞬态响应,非常适合满足高电流、高功率密度应用的需求。
据晶丰明源半年报显示,公司高性能计算产品线的数字多相控制器、DrMOS、POL及Efuse全系列产品已经实现量产,进入规模销售阶段,特别是新一代显卡应用,多家海外和国内客户开始大批量出货,带动高性能计算电源芯片业务增长,当期实现销售收入0.348亿元,同比上升419.81%,公司对高压BCD-700V工艺平台进行技术升级,第六代高压工艺平台已经开始量产,该工艺可覆盖LED照明驱动芯片、AC/DC电源芯片和部分电机控制驱动芯片产品,进一步巩固了公司在高压工艺技术和产品的领先优势。低压BCD工艺平台方面,公司自研的第一代40VBCD工艺平台高性能计算电源芯片已大批量稳定量产,基于自研第二代40VBCD工艺平台设计的DrMOS产品,已经开始批量生产,性价比显著提升;目前公司正在推进第三代40VBCD工艺的研发,基于该工艺平台的芯片设计已经完成,等待生产验证,预计将在2026年实现量产。
芯联集成也在加大对于AI服务器、数据中心应用的投入,并把其作为公司第四大核心市场方向之一。其半年报显示,其数据传输芯片进入量产;发布了第二代高效率数据中心专用电源管理芯片制造平台,获得关键客户导入;应用于AI服务器和AI加速卡的电源管理芯片已实现大规模量产;中国首个55nm BCD集成DrMOS芯片通过客户验证。
总结
AI的竞赛不仅是算法与芯片的竞赛,更是一场关于如何高效、可持续地“喂养”这些算力巨兽的能源竞赛。目前,单台AI服务器所需电源管理芯片的价值量可达传统服务器的3至5倍。
从中,我们看到,智能功率级(DrMOS)、多相控制器、热插拔eFuse作为AI服务器的核心器件,正在快速崛起,国产厂商也在不断加大对其的布局。另外,国产芯片厂商也特比额关注服务器48V、800V大功率趋势,正在不断针对这些趋势推出产品。
参考文献
[1]Tektronix:驱动算力的心脏革命:AI服务器电源三大技术跃迁与测试破局
[2]IT之家:https://www.ithome.com/0/869/088.htm
本文来自微信公众号“电子工程世界”(ID:EEworldbbs),作者:付斌,36氪经授权发布。















