硬核技术文:如何自己动手做一个 CPU?
神译局是36氪旗下编译团队,关注科技、商业、职场、生活等领域,重点介绍国外的新技术、新观点、新风向。
编者按:中央处理器(CPU)你肯定天天都在用了。但是有没有想过自己做一个呢?自己DIY CPU?是不是有点异想天开?其实不是,作者 Sahilathrij 提供了一份制作简单CPU的指南,总共只需要3步。原文标题是:Can you Build a CPU?
想做个有趣的项目?做什么好呢?想折腾一下混淆矩阵乘法?要不弄一下链表?或者,做点实际一点的,比如说CPU?
什么是计算机?
开始造计算机之前,先复习一下定义再说。
不,我说的不是2019款的iPad Pro。数字计算机是能够模拟图灵机(无限存储除外)的电子设备。图灵机又是什么?这个改日再说吧。
大体上,计算机必须具备
内存——RAM
决策逻辑——分支
数学运算——算术逻辑单元 (ALU,Arithmetic and Logic Unit)
控制——控制单元
有了这些基本组件之后我们就可以组装计算机了。不过,首先,我们得了解一些电子知识。我会写出我用的是什么型号的组件,但你可以使用能弄到的任何组件,只要电压电平一样就行。大多数情况下,我们的组装都应该坚持用通孔安装技术(TFT)的与、或、非、异或(AND、OR、NOR、XOR)门作为基本构件。而到了晶体管层面会引入大量的模拟问题——这些问题最好不要碰。我们还得用一个预制的内存模块。通过通孔组件制作内容模块要占用的空间太大了。
首先我们得稳定住电压以及CPU的时钟频率,以及引脚发送或接收的信号能通过的长度。CPU的电压调制成5V,时钟频率定为1Khz。你也可以调高点,但要确保组件有合适的门延迟。
接下来就开始做了!
步骤1:制作寄存器
我们的计算机应该有两种通用寄存器,一种是内存寻址寄存器,一种是指令寄存器,还有一个输出。以下是个基本的8位寄存器:
我用的是74LS74触发器以及74LS125。
做5个这样的。
做完这5个之后我们现在就可以做程序寄存器了。程序寄存器是计算机用来跟踪我们执行到程序的什么位置的一种特殊的寄存器。为此,只需要将一个触发器的输出连接到下一个的输入,就能够制作出一个8位的计数器。
然后再将你的寄存器的输入和输出连接8位总线。这条总线就是8根电线,分别代表8位。只需要将内存地址寄存器的输入跟总线连接即可(输出稍后会连接的)。
然后要测试一下寄存器——试一下将值放到总线上,将不同寄存器的输入输出置为允许,看看寄存器能不能正确工作。如果INC信号(加)置入程序计数器的话,确保计数器的值增加了。
步骤2:制作ALU
我们的ALU只实现加减法。就技术而言,只需要加法就能保证图灵完整性了。但减法其实只是负的加法,所以实现减法并不难
上图展示的是基本的1位全加器。7486(XOR)以及7408(AND)
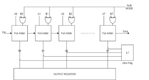
基于上面的构件我们可以做出8位的加减器:
首先,我们介绍一下标志的概念。标志是一个特殊的值,可让我们检查某些事情是否发生。比方说,零标志(Zero Flag)可让我们检查给定的加法或减法的输出是否完全为零。就我们当前的设置而言,我们有一个进位标志和一个零标志。我将这两个放到一个双字位寄存器里面。将A和B寄存器的输出连接到ALU的A端和B端,并将ALU的输出连接到输出寄存器的输入。
到这里我们的CPU就已经差不多完成了!剩下的唯一一件事是连接内容模块的地址线。我用的是有12条引线的7164S。不过我只用前8条,所以能用的RAM是2Kb。内存模块的数据引脚得连接总线。输出允许和写入允许信号用来控制对内存模块的读写。
步骤3:控制和分支
这是制作一个简单的CPU所需要的最后一步。通过这一步你可以定制出一个逻辑电路,或者你也可以选择容易一点的解决方案,通过EEPROM(我们接下来要做的事情)创建一个查找表。我们会使用8个时标(tick)的指令。如果用电子表格对控制信号进行可视化的话,这种指令更容易编写。
为此,我们需要理解CPU内部都发生了什么。
基本上,每一条指令会发生这些事情:
读取指令并进行解码。
执行指令步骤。
程序计数器增加计数
步骤1到3是所有指令都需要的,那么我们就应该看看微代码的控制信号
读取指令
时标1:
程序计数器输出:1
存储地址输入:1
所有其他引脚:0(禁用。要看一下使能引脚设置是高电平有效还是低电平有效)
时标2:
存储地址输出:1
内存输出使能:1
指令寄存器:1
指令寄存器输出:1
所有其他引脚:0
程序计数器加1:
时标8:
程序计数器 inc:1
所有其他引脚:0
这3个时标是所有指令都通用的,中间的5个时标则可以针对我们需要的任何指令进行定制。解释一下其中的两个:
加法指令:
时标1、2是一样的
时标3:
A寄存器输出:1
B寄存器输出:1
SUB模式:0
ALU使能:1
输出寄存器输入:1
所有其他引脚:0
时标4:
输出寄存器输出:1
A寄存器输入:0
所有其他引脚:0
时标5-7:
所有引脚:0(无操作)
时标8:
Inc PC (程序计数器加1)
JNZ指令(跳转指令)
时标1、2是一样的
If Zero Flag:(如果零标志位为1)
时标3:
Inc PC (程序计数器加1)
时标4:
程序计数器输出:1
存储地址输入:1
时标5:
存储地址输出:1
存储输出使能:1
PC寄存器输入:1
所有其他引脚:0
时标6-8:
(不会增加程序计数器,因为这是个JMP无条件跳转指令)
所有其他引脚:0
Else:(否则的话)
时标3-7:
所有其他引脚:0
时标8:
Inc PC (程序计数器加1)
上图展示了如何这很对给定应用组织查找表。(18针的EEPROM不好找,所以我建议拿两个14针的EEPROM复用替代)。我用的是AT28C256。毕竟,我做的CPU只需要不到15条指令。
以下是我用到的13条指令:
LDA loc
MVX A,Val
MVX B,Val
MOV A, B
MOV B, A
ADD A, B
SUB A, B
STA loc
JC loc
JNC loc
JZ loc
JNZ loc
HLT
你可以针对上述指令制作自己的指令表,然后刷进你的EEPROM控制表,再插入到计算机里面。
做完这个之后我们的计算机基本上就算完工了。
接下来我们就来写个简单的乘法程序吧:
程序从10开始,每一条指令占用内存的1到2个字节。
10
11 LDA F0
13 MOV B,A
14 LDA F0
16 ADD A,B
17 STA F2
19 LDA F1
1B MVX B,1
1D SUB A,B
1E JNZ 29
20 LDA F0
22 MOV B,A
23 LDA F2
25 SUB A,B
26 STA F2
28 HLT
29 LDA F2
2B JMP 13
如果乘以0或者最后结果大于FF的话这个程序会出错。当然结果大于FF的乘法程序也是可以写的,但是这大约要占用20个内存位来写入,我怀疑我们256个字节的内存够不够用。
至此,CPU已大功告成。它可以执行Ryzen 9 CPU可执行的一切计算,只要你提供无限内存以及无限的执行时间的话。
祝贺!
你已经做出了自己的第一个CPU。
现在,你的心情也许是再也不想再碰这个怪物了,或者是对更多计算机组件的内部工作机制产生了浓厚兴趣。
如果是想进一步研究的后者,以下是一些容易实现的升级建议:
增加更多的标志
增加更多的指令
增加更多的寄存器
提高时钟频率
还不够?那还可以增加一些有点难度的升级:
让时钟频率更快
增加16或甚至32位支持
增加流水线
增加索引内存访问
再多加些标志
增加硬件乘除法
增加I/O支持
扩大内存大小
至于那些痴迷计算机组件,并且需要真正的升级的家伙,以下就是建议!
让时钟频率达到MHz级别
做很多个内核,然后整合到一起,做出一个多核的CPU
增加浮点运算支持
增加合适的I/O支持
以下是挑战不可能:
做出256核,然后整合出一个GPU
给CPU做个操作系统
实现硬件内存访问保护
增加VGA支持
总而言之,CPU设计是一项非常非常复杂的工作,尝试之前请三思!
前面说了这么多正经的,如果选择多了解一点的话,其实这是一个非常有趣的话题。当数字和物理发生碰撞时,你不仅要制作逻辑电路,而且还得避免因为线路相互之间靠得太近而导致发生位翻转,或者因为磁场导致电流流到另外一条电路,让整个程序都崩掉。也许电线的长度会导致字位完到达一微妙,造成整个程序被破坏掉。当你终于把影响CPU的所有物理bug都解决掉时,自豪感和成就感就会油然而生。
译者:boxi。















