60 年前的「磁轴」为什么成了键盘圈的新宠?
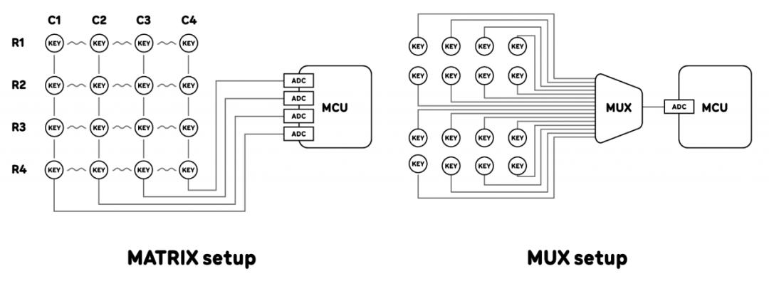
什么是磁轴?
在解答这个问题之前,我们要先从 iPad 保护套说起。
带着磁铁的 iPad 保护套合上的时候,就会触发 iPad 内部的传感器,让 iPad 进入锁屏状态。实现这个功能,离不开的就是霍尔效应。
当一块导体接入电路当中的时候。带电粒子会沿着最短路径进行移动。当一个磁铁,顺着导体的垂直方向靠近的时候。带着负电的例子就会沿着一个方向发生偏转。带正电的粒子,就会向反方向偏转。
图片来自:Sixty Symbols
此时用电压表测量导体的两端,就能检测到微弱的电压。磁铁越靠近导体,带电粒子的偏转程度越大。电压也越大。电压超过阈值,就被 iPad 视为保护盖被合上了,可以锁屏了。
图片来自于:telcontar
对磁轴键盘来说,给每个按键设定一个电压阈值,就可以视为按键被按下。这就是磁轴的实现逻辑。
是谁,又为啥要花那么大的劲,去重新定义键盘按键被按下这件事呢?
1932 年,菲利普·肯尼斯·麦克戈尔发明了世界上的第一个微动开关。他的老板利用这项发明,创立了美国微动公司。
基于微动的设计经验。 在 1960 年左右,美国微动就已经开始从事键盘相关的业务了 。当时,他们的键盘使用的是磁簧开关。磁簧开关的内部有轴心、弹簧、一片磁铁,还有一个小小的瓶子。
图片来源:Chyrosran22
这个瓶子内部有两个小金属片,还充满了惰性气体。当按键被按下的时候,轴心上的磁铁会靠近这个小玻璃瓶。受到磁力影响,玻璃瓶内的金属片会被吸引,接触,进而产生信号。
图片来源见水印
用仪器监控这一过程会发现,刚接触的一瞬间,会产生抖动的信号。然后才进入稳定接通的状态。这就是抖动问题。抖动信号的持续时间和强弱,和按下键盘的力度、快慢、金属片的厚度、成分、疲劳度有关。磁簧开关的抖动问题,本质与我们日常使用的类 Cherry MX 轴体的抖动问题类似,都不可预测,无法避免。
磁簧开关还遇到了寿命问题。在那个时期,键盘轴体的寿命能达到一千万次就很了不起了。可微动公司的产品涉及军工和航天领域,特别在乎产品的可靠性。他们希望自己制造的键盘也是军工级别的产品。
1965 年,微动公司为世界带来了第一个磁轴。
磁轴的构造非常简单。轴体就是由轴心、磁铁、霍尔传感器、弹簧组成。当轴体按下之后,磁铁靠近霍尔传感器,出现超过阈值的霍尔电压,进而触发。
根据一份制作于 1983 年的产品目录描述,微动公司旗下的磁轴产品,有一亿次的使用寿命。在 1998 年,微动公司在官网刊登的《 霍尔效应的概念和应用 》描述,在拥有 90 个按键的键盘测试机上,曾成功进行了 200 亿次循环操作。轴体寿命远超同时期的磁簧开关,还有现在的绝大部分机械轴体。
顺带地,这种霍尔磁轴达成了任何线性机械轴体都无法与之媲美的输入体验。所有的类 Cherry MX 机械轴体,因为弹片上金属触点的存在,即使在线性轴的压力克数曲线图中,也总能看见一个回弹过程中的拐点。
图源:Cherrymx.de
而线性磁轴的压力克数曲线,则是一条近乎完美的直线。
input club 定制的磁轴压力克数曲线
即便轴体没有润滑,他的打字手感依然出色。利用霍尔传感器的超高性能,键盘还支持了防鬼键(anti-ghosting)功能,相比同时期其他的 2 键无冲键盘来说,输入效率提升了 30%。结合之前磁簧开关键盘产品的优势,用户可以像是搭乐高一样,随意定制自己所需要的键盘配列。此外,它还提供了丰富的外观可选项,附带的 SA 高度球帽,质感令人惊叹。
图片来源见水印
用外观时尚四个字,来评价这些五十年前的「废铁」,也是不过分的。
微动公司的磁轴还做了一些创新。比如在一个轴体内,塞入了两个独立的霍尔元件,实现一次按压,双重触发。在之后 Alps 所生产的机械轴中,复刻了这个功能,应用在 Apple III 的键盘方向键上,实现了轻按方向键光标慢速移动、重按方向键光标快速移动,拓展了未来键盘的使用场景。
图片来自:telcontar
可磁轴这么强,怎么到后来就销声匿迹了呢?
微动公司生产键盘的时候,他们非常注重提高键盘的上限。而不是想办法提高键盘的下限。而 Cherry MX 轴体对比美国微动磁轴来说,无需供电,体积小,造价低,安装简单,对键盘 PCBA 的要求也低。
早期的键盘,可以类比成人的器官,没了不行。键盘就代表着整台电脑的品质,面对的是高端客户。之后的键盘,可以比喻成人的衣服,虽说是没了也不行,但对于大部分普通消费者来说,就不一定非要上到顶级了,用着舒服就好。
图片来源见水印
微动公司在 1950 年被霍尼韦尔(Honeywell)公司收购,在 1993 年,霍尼韦尔将旗下键盘相关的业务卖给美国刻意创键(Key Tronic)公司。时任霍尼韦尔公司的 CEO 表示,公司旗下的键盘业务是有盈利的,但是已经不适应公司的战略大方向了。《霍尔效应的概念和应用》这份文档,不仅讲解了霍尔效应,还提供了二十余种基于霍尔效应的实际案例。注定对磁轴的发展产生了深远的影响。
1978 年前后,欧姆龙也出品了一款磁轴。
这款磁轴终于做了小型化,它没有弹片,但拥有了段落轴的手感,还有响轴的声音。这个轴体上总共搭载了三块磁铁。轴心上有一块磁铁 A 正对着霍尔传感器。背对磁铁 A,在轴心上还有一块磁铁 B。轴体下盖上,还有一块可以活动的磁铁 C。
在轴体按下和回弹的过程中,磁铁 B 和磁铁 C 先会互相排斥,产生段落的手感。最终两块磁铁会互相吸引,发生碰撞,产生声音。
图片来自:telcontar
就是这个轴,长的挺眼熟啊。本来还挺喜欢磁轴的,现在变得更喜欢啦!
图片来源:Chyrosran22
时间来到 2014 年,有一家公司叫做 Ace Pad Tech。公司的老板叫杨立涛。他在 2015 年 1 月的时候, 申请了磁轴的专利 ,并且在阿里巴巴上售卖磁轴键盘。这是一个很值得纪念的节点,终于有一款市面上在售的磁轴键盘,能在现代的电脑上打出字来了。但是这把键盘空格键按下去会吱嘎吱嘎的响,外壳制作也很粗糙。轴体的手感也很差。几乎掩盖了磁轴的一切优点。
图片来源:Chyrosran22
2016 年夏天,XMIT 团队通过阿里巴巴联系到了 APT,这是一个来自于美国德克萨斯的团队,想要合作推出一款磁轴的键盘,在众筹平台 Drop 上进行售卖。这把键盘最终卖出了 379 把,可是只收获了 1.5/5 的评分。虽然 XMIT 给了 APT 一个好看的外壳和键帽,但是 APT 键盘原有的问题都没有解决,完全无法满足键盘玩家的基本需求。
这一切都被荷兰的客制化键盘团队 Wooting 看在眼里。Wooting 成立于 2015 年,他们原先就是一群单纯的游戏玩家,想要研发一款适合游戏玩家的键盘。2016 年他们发布了 Wooting One。这是一款光轴键盘,相比现在的流行的 ROG RX 光轴来说,还实现了可调节键程。但是光轴的触发距离,最短只有 1.5 毫米,还不如市面上部分的类银轴轴体。想要突破光轴的极限,他们就看上了磁轴。可 APT 旗下键盘的售后质量问题让他们非常担心。
Wooting One 光轴实现动态触发的原理,图片来源:Chyrosran22
2018 年,Wooting 团队参加了台北国际电脑展。环诺也有参加,他们联合台湾的 Mpower 发布了自己的磁轴产品。但是还处于原型机阶段。Wooting 看到了一种强烈的信号,觉得是时候下定决心做磁轴键盘了。
其实在做磁轴的国产轴体产商,也不止环诺一个。2019 年 5 月份,赛睿突然杀了出来,发布了 Apex Pro 磁轴键盘。键盘上搭载的 Omnipoint 轴,就是国内的轴体厂佳达隆代工的。佳达隆为了这款键盘的发布,偷偷做了三年的磁轴。
给 Wooting 的轴体,佳达隆的代号是磁绿轴,给赛睿的轴体叫磁白轴。
赛睿 Apex Pro 能自由设定每一个轴的触发键程,大至 3.6 毫米,小至 0.4 毫米,降维打击各路电竞机械轴,还复刻了微动公司的双重触发功能:在 FPS 游戏当中,轻按 W 键,就是走路,重按 W 键就是奔跑;在 MOBA 游戏中,轻按 Q 键是选择技能的释放目标,重按 Q 键就是朝着既定范围释放技能,可以节省大量的操作时间。
在键盘刚出现的时候,赛睿还公布了 Omnipoint 轴的轴体延迟是 0.7 毫秒,与之对比,Cherry MX 机械轴的轴体响应时间是 5 毫秒,普通机械轴是 6 毫秒。(不过目前官网已经更换了此条描述。)只是不知道这个时间是如何测试出来的。毕竟各种游戏键盘只告诉你键盘的延迟,而不会介绍轴体本身的延迟,这也算揭开了各大轴体厂商不想告诉你的秘密。
当时的宣传物料,图片来自于 in 外设
遗憾的是,赛睿 Apex Pro 只有主键区支持 Omnipoint 轴,并且不支持热插拔。在和佳达隆的官方人员沟通后得知,这是键盘自身磁场干扰带来一点小小的遗憾。
赛睿 Apex Pro 拆解,图片来源:Chyrosran22
2019 年 7 月,曾发布饱受好评的 WhiteFox 键盘的爱好者团体 Input Club 在众筹网站上发布了一款磁轴键盘,Keystone。
图片来源:input club
他们找凯华定制了一款「梁式弹簧磁轴」(SILO Beam Spring Switch)。横梁式弹簧(Beam Spring)开关轴体最早是在 IBM 键盘上出现的,有着充满魔力的输入手感。现如今也没有一款机械轴体能复制这样的压力克数曲线。
据称,其使用 AI 动态调整轴体的触发行程,可以脚踩 Wooting One,拳打 Apex Pro。
可惜的是,Input Club 的成员经历了战乱、失业、家人疾病等很多不幸,直至今日,这款键盘还是没有发货。根据凯华方面的描述,他们无力支付梁式弹簧磁轴的开模费用。只能祝他们好运。
2019 年 9 月 26 号,Wooting Two 磁轴版开启众筹。搭载 Lekker 磁轴,由环诺代工。
其实赛睿也没有称呼自己的轴叫做磁轴。老式磁轴键盘的轴体内带有霍尔传感器,因此称呼自己为霍尔效应开关(hall effect switch)。Wooting 觉得 Lekker 轴内部不包含霍尔传感器,本质上就是一个会动的磁铁。磁轴(magnet switch)这个名字,才真正的出现。
经过 3 次迭代,Lekker 轴终于支持了热插拔,更换了尼龙材料,降低了杂音。一晃眼,2020 年的春节就要到了,工厂要放长假。Wooting 团队想要趁着春节假期,回国做好固件的优化就好了。但是,2020 年的春节,我们遇到了疫情。
工人被困老家,工厂产能严重受损,全世界的物流都乱了套。环诺手里有不得不完成的订单,没有余力执行 Wooting 的生产任务了。环诺只给了 Wooting 一个选择:放弃所有的优化,用回第一个版本的 Lekker 磁轴。这显然是无法接受的。
而这个时候,佳达隆的合同期刚过。Wooting 选择牵手佳达隆。Wooting 方面称赞,佳达隆是一个有丰富经验,高质量的轴体制造商。无论是客制化键盘市场,还是量产键盘市场上,都有很高的知名度。汪老板根据和赛睿合作的经验,提醒 Wooting,磁轴键盘具有很好的前景,但绝对不是一下就能做好的东西。
图片来源:佳达隆
环诺版本的轴体,和佳达隆版本的轴体,在一些参数上存在细微的差异。再从头定制佳达隆版的 Lekker 轴是不现实的。只能 Wooting 方面主动拥抱变化,在 PCBA 上根据佳达隆的轴体重新开孔,键盘的加强筋也要挪下位置,重新制作模具。运输途中还把模具摔了,吃了不少苦头。
从环诺磁轴转到佳达隆磁轴,轴脚的位置有点区别
在修改外观件的过程中,Wooting 还在键位扫描算法上做了 全新的优化 。从原先的逐行逐列进行扫描,变成了针对单个按键进行监控。原先键盘内单片机,需要经过五种方式处理才能向电脑发送数据,变成了五种方式并行扫描。解决了按键同时被按下时,延迟过大的问题。
左边为传统的键位扫描方式,右边为 Wooting 优化后的扫描方式
Wooting Two Lekker 版本最终还是完成了,并新增了 Rapid Trigger 功能。
传统机械轴存在一个复位点。因为有弹片存在,按键要释放一定的距离,才有可能让触点分离,进行下一次的操作。有了 Rapid Trigger,只要被感知到按键被抬起,就算按键被复位,更适合高频次大量重复敲击某一个按键的游戏,比如知名的键盘杀手「osu!」。(在写稿的时候醉鹿也支持了这个功能。)
在之后的 Wooting 2 HE 版本,将手柄中的按键和键盘上的按键进行映射,就可以获得手柄上霍尔开关的能力。在游戏中驾驶的赛车,能感知你的按键的力度,决定是否全力加速,亦或者是全力打方向盘。Wooting 的在键盘界的飞速成长,包含团队的辛苦劳动和智慧,再加上刚好赶上了磁轴发展的时间节点。
从这么多厂家的故事中,我们可以发现,传统机械键盘,轴体是非常重要的组成成分。而磁轴键盘,轴体、驱动、算法、硬件、PCBA 的设计,缺一不可。
轴体没有了弹片,削弱了 Cherry MX 轴的寿命优势。但磁轴键盘支持超短触发键程,轴心稍有歪斜,就会出问题。许多用户刚上手磁轴键盘,会因为超高的灵敏度而无法适应,需要有友好的驱动让用户不断调试,找到适合自己的玩法。磁轴本身拥有了超低延迟,想要加上无线功能,还需要在无线低延迟技术的积累。相比机械轴,电路板上的每个霍尔传感器都需要供电,如何省电也是问题。我询问了宁芝静电容键盘的 A 大,静电容键盘理论上也具有磁轴键盘的部分能力,等新版本的固件即将上线,磁轴键盘还要面临静电容键盘的挑战。
2023 年 4 月,智迪科技的一项专利被公开。通过将霍尔感应元件和发光元件结合,可以进一步减少每个轴体所需的焊点的数量。有了这项专利,理论上可以降低键盘厂商入门磁轴键盘的门槛。
磁轴故事最精彩的篇章,我相信还没有到来。
1972 年,一架二战飓风轰炸机在加拿大沼泽地中被发现。尽管这架飞机在打捞前已在水下浸泡了 30 年,但驾驶舱内由美国微动公司制作的装置,却依然能正常使用。美国微动公司的产品,还跟随着 NASA 的维京火星登陆器,飞行了 5 亿英里,并且正常工作。美国微动为霍尔开关留下了珍贵的资料。
我们不难发现,历史上对键盘做出突出贡献的企业,都是用军工的标准,去制作一个小小的轴体,哪怕做轴这件事对他们来讲不赚钱。如果没有那个年代对于质量的痴狂,磁轴还有可能诞生吗?我一开始不能理解那些购买无法再输出一个字的老旧键盘的人,现在我终于理解了,我们买的是对那个如黄金一般年代的祭奠。
原文链接
https://sspai.com/post/80940?utm_source=wechat&utm_medium=social
本文来自微信公众号“少数派”(ID:sspaime),作者:七骑士托马斯,责编:北鸮,36氪经授权发布。















