治精微拓展极高精度 36 V仪表放大器系列产品
它是关键指标全方位引领行业最高水平产品ZJA3600的拓展。此系列产品的成员如表一所示。ZJA3600系列产品及ZJA3620可以广泛用于工业控制、工业及医疗仪器、锂电池化成及分容、数据采集系统等,对常见的电流、电压等信号进行调理,实现精准检测和控制。它们都采用业界通用的封装、管脚排列及增益设定,客户可在已有解决方案中实现快速替换,获得性能提升而无需做任何软件修改。
表一:ZJA3600的高性能系列产品成员
ZJA3600系列产品保持在拓展工业温度范围内(- 40 °C到125 °C)高精度(增益精度及其温漂、失调电压及其温漂、共模抑制比CMRR及其温漂)、100 pA以内低偏流(Ib)、低噪声的优良性能。
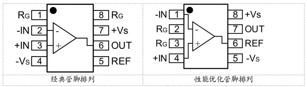
为提升仪表放大器的交流性能,尤其是CMRR随频率变化的性能,仪表放大器从经典的管脚排列革新成了性能优化的管脚排列(如图一所示):通过对输入及增益设定几个关键管脚的排列加以优化来实现。
图一:仪表放大器的两种管脚排列
根据实测结果,性能优化管脚排列的ZJA3601,ZJA3611在同样的情况下确实比经典管脚排列的ZJA3600,ZJA3610在CMRR随频率变化更加优秀。如图二所示,在增益为1的情况下,CMRR在80 dB以上的频率从400 Hz延伸到70 kHz以上:在增益为10的情况下,CMRR在100 dB以上的频率从400 Hz延伸到30 kHz以上。
图二:ZJA3600,ZJA3601 CMRR随频率的变化
同时,跟业界经典产品相比,ZJA3601,ZJA3611在更宽的频率范围内获得优良的CMRR。在增益为1的情况下,CMRR在80 dB以上的频率从16 kHz延伸到70 kHz以上,是业界经典产品的4.4倍以上;在增益为10的情况下,CMRR在100 dB以上频率,业界经典产品为7 kHz,ZJA3601达到30 kHz以上,ZJA3611达到45 kHz以上,是业界经典产品的4倍甚至6倍以上。这对于需要在恶劣的环境下却需要在更宽频率范围内获取有用信号的应用,如快速变化的电流信号,非常关键。值得注意的是,ZJA3601获得优良CMRR,在增益为1和10时的频率范围优于业界一款带宽达到10 MHz(G=1)的仪表放大器,而ZJA3611则在各种增益下都更宽。
图三:ZJA3601,ZJA3611 CMRR随频率的变化
对于希望更宽带宽的应用,ZJA3600系列也提供了选择,比如ZJA3610是ZJA3600的宽带宽版本,ZJA3611是ZJA3601的宽带宽版本(如图三)。在增益为10的情况下,它们将带宽从630 kHz拓展到了1.2 MHz,也就是原来的2倍左右。值得注意的是,在增益为1的条件下,ZJA3601的带宽达到3.5 MHz,是经典产品825 kHz的4倍。
图四:ZJA3610,ZJA3611拓展了ZJA3600,ZJA3601的带宽
在仪表放大器有两种典型的增益设定方式,即G=1+49.4 kΩ/RG和G=1+50 kΩ/RG。对于已经固定的设计,客户不得不修改硬件设计,而增益设定电阻往往是较昂贵的精密电阻,所以代价不小。ZJA3600做到了两种增益设定兼顾,而且具备上面提到的管脚排列和宽带宽的相应版本产品:经典管脚排列的ZJA3618,ZJA3608和性能优化管脚排列的ZJA3619和ZJA3609。
对于诸如多通道等有体积限制的应用,往往需要IC尺寸更小,所以此系列产品的性能优化管脚排列产品提供了MSOP-8的封装,与SOIC-8封装比,占印刷电路板(PCB)的面积减小50%。















