新技能Get!大声放歌的同时,顺便给植物浇个水
你一定听过这种说法:听音乐会让植物长得更加茂盛。
现在这句话不再是一种假设,因为你只要一唱歌,植物就能自动“喝水”。这是一种小型的洒水系统,可以让你在唱歌时自动为植物浇水。
当然,考虑到适宜的土壤湿度和叶子的健康,你还需要注意唱歌的时长。
其实制作这样的声控洒水系统并不难,本文将总结其所需的材料和制作的步骤,让每个人都能轻松 get 这个神奇的小玩意。
材料:
• 3V 潜水泵
• Korg CA40 调音器 或者其他相似的有LED信号灯的调谐器
• 小型Wi-Fi开发板
• 晶体管
• 弹性塑料管
• 小夹子 (用于将管固定在植物上)
• 小的电路测试板
• 5 M-M 跳线
• 剥皮钳
• 烙铁 + 焊料
• 热缩或绝缘胶带
• (能够拆开调音器的)尺寸适宜的螺丝刀
制作步骤
首先分拆调音器。
以 Korg CA40 为例,你可以利用 LED 中心的一个焊料隆起焊盘,它可以为 LED 传送电流。通过将这个焊盘连接到Wi-Fi开发板上,你就能跟踪并记录调音器上的信号灯亮起的时刻。换言之,就是确认什么时候人的歌声和调音器一致。
把 3 M-M 跳线剪成两段,剥离线路暴露在外的末端。
将线剥离的一端焊接在焊盘上,把电池负极另一条线暴露在外的一段包起来并焊接,在电池的正极重复同样的做法。
现在检查一下潜水泵。
观察线路端点的尺寸是否适合安装到试验电路板上。如果你想让线路连接更加安全,你可以在原线路的基础上焊接上(剪开的)一段跳线来延伸线路。
将外露的焊接点用绝缘胶带包起来,防止它们彼此之间接触。
把一些塑料管安装在潜水泵的外流阀上,并进行测试以确保它能发挥作用。
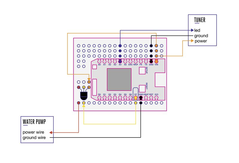
创建你的Wi-Fi开发板,并将这个编码闪存到你的设备……
...将这些材料全部连接起来!连接成功后的图片如下:
将潜水泵置于水中 (确保线路露在水外) ,将塑料管的一端连接到植物或者花盆里。
一个小型的声控洒水系统就做好了,现在你就可以在唱歌的时候顺便浇花了。















